返回
光影知识库
网站首页
美食营养
游戏数码
手工爱好
生活家居
健康养生
运动户外
职场理财
情感交际
母婴教育
时尚美容
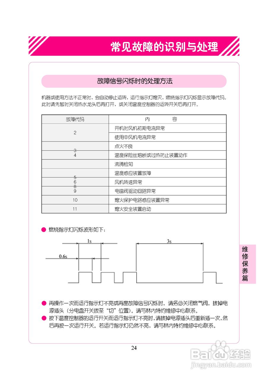
林内热水器JSW32-B型使用说明:[3]
时间:2024-10-21 21:52:48
林内热水器JSW22-B型使用说明:[3]
林内热水器JSW32-A型使用说明:[3]
林内热水器JSW22-B型使用说明:[1]
林内热水器JSW32-A型使用说明:[2]
林内热水器JSW32-A型使用说明:[4]
为你推荐:
怎么打野
怎么打出下划线
好句好段大全摘抄
饮料瓶手工制作大全
医院等级怎么分
本田车型大全
骆驼祥子简介
王安石简介
玛卡泡酒怎么泡
少儿故事大全
© 2025 光影知识库
信息来自网络 所有数据仅供参考
有疑问请联系站长 site.kefu@gmail.com